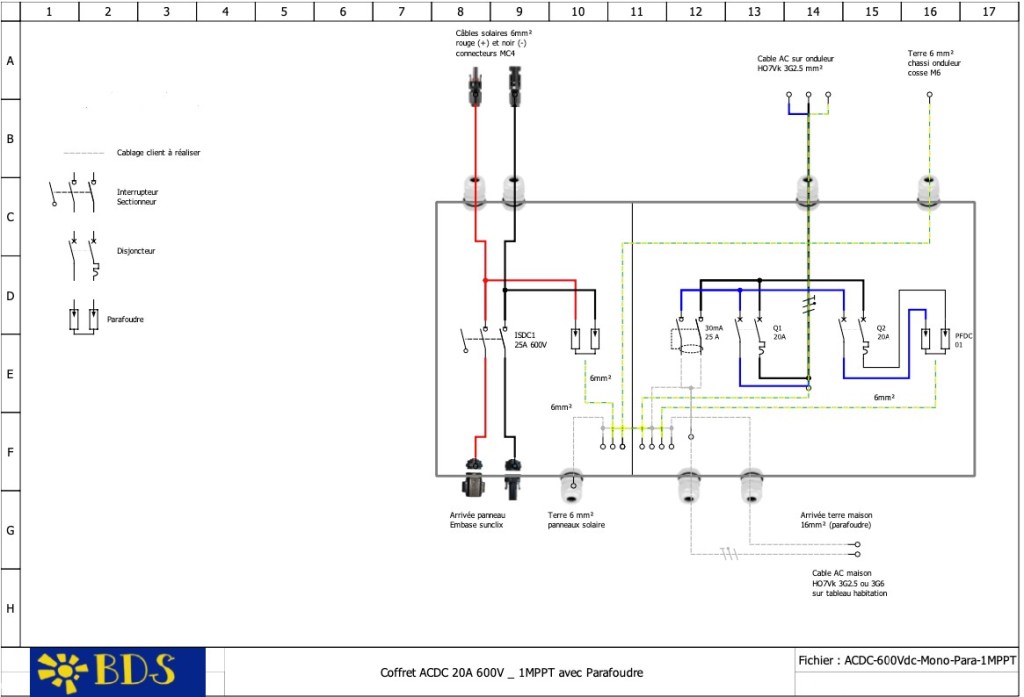
Schéma électrique général avec parafoudre ⚡
Ce schéma présente l’installation complète d’un système photovoltaïque avec onduleurs de chaîne, intégrant un parafoudre pour protéger l’installation contre les surtensions. Il est essentiel pour les zones exposées aux risques de foudre.
Schéma électrique unifilaire pour onduleur de chaîne ⬇️

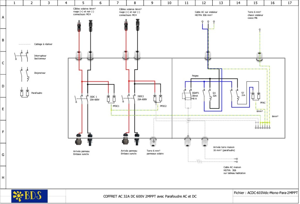
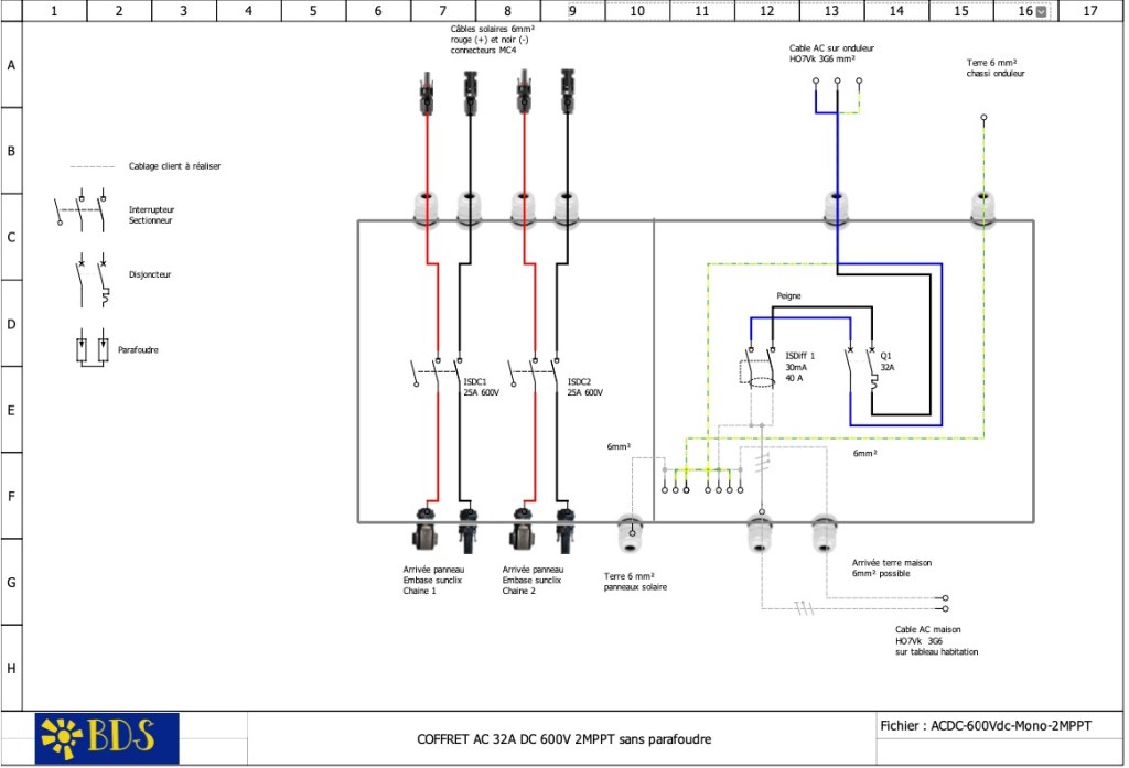
Schémas des coffrets de protection pour onduleurs de chaîne ⚡
Les coffrets de protection sont des éléments clés pour sécuriser votre installation. Voici les configurations disponibles :
⚡ 1 chaîne de panneaux avec onduleur de chaîne avec parafoudre ⬇️

⚡ 1 chaîne de panneaux avec onduleur de chaîne sans parafoudre ⬇️

⚡ 2 chaînes de panneaux avec onduleur de chaîne avec parafoudre ⬇️

⚡ 2 chaînes de panneaux avec onduleur de chaîne sans parafoudre ⬇️

Comment protéger son installation solaire ?
Protéger votre installation photovoltaïque est crucial pour assurer sa durabilité et la sécurité des équipements comme des personnes. Plusieurs équipements et normes contribuent à la protection de votre système solaire. Voici les éléments clés à prendre en compte pour garantir une installation sécurisée et performante :
1. Système de mise à la terre
Un système de mise à la terre conforme aux normes est indispensable pour toute installation photovoltaïque. Il protège à la fois l’installation et les utilisateurs en cas d’anomalies, comme une fuite de courant ou un impact de foudre. Toutes les parties métalliques du système de fixation doivent être raccordées via des liaisons équipotentielles ainsi qu’un câble terre de 6 mm² jusqu’au bornier de terre du TGBT (Tableau Général Basse Tension). Une mise à la terre efficace optimise également le fonctionnement des autres dispositifs de protection, tels que les différentiels et les parafoudres.
2. Coffrets de protection courant alternatif (AC)
Le coffret de protection AC joue un rôle essentiel dans la sécurité de votre installation. Il comprend :
- Des disjoncteurs pour protéger contre les surintensités, évitant ainsi les risques d’incendie ou de dommages aux équipements.
- Des parafoudres pour prévenir les surtensions importantes.
- Des sectionneurs différentiels pour la maintenance et la protection contre les fuites de courant.
- Des outils de surveillance pour une intégration sûre au réseau électrique.
3. Coffrets de protection courant continu (DC)
Le coffret de protection DC est tout aussi important. Il protège et facilite la maintenance des lignes de courant continu. Il inclut :
- Des sectionneurs pour isoler les circuits.
- Des parafoudres pour protéger contre les surtensions.
Ce coffret est indispensable pour assurer la sécurité et la maintenance des équipements en courant continu.
Vous trouverez aujourd’hui assez facilement des coffrets ACDC qui réunissent les 2 protections dans le même coffret, les 2 parties sont scindées par une plaque de plexiglass.
4. Choix des sections de câbles
Le choix des sections de câbles est primordial pour minimiser les chutes de tension, qui ne doivent pas dépasser 3 % (avec une recommandation de 1 %). Utilisez des abaques détaillés pour déterminer la section adaptée à votre installation.


5. Passage du Consuel
Le passage du Consuel est une étape obligatoire pour la plupart des installations photovoltaïques. Cette inspection par un professionnel qualifié garantit que votre installation respecte les normes en vigueur et fonctionne de manière optimale.
Les normes à respecter
En France, la norme NF C 15-100 est la référence pour les installations électriques, y compris les centrales photovoltaïques. Pour les auto-installations, je vous recommande de suivre le Guide UTE C 15-712, qui détaille les bonnes pratiques à adopter pour une installation sûre et conforme.
Comment bien dimensionner son coffret de protection AC ?
Pour dimensionner votre coffret de protection AC, vérifiez la puissance maximale supportée (en Watts) ou évaluez le courant de sortie de votre installation (en Ampères). Le courant de sortie doit être inférieur au calibre du disjoncteur du coffret, avec une marge de sécurité de 10 %.
Exemple :
Pour une installation avec 4 micro-onduleurs de 800W et une intensité de sortie nominale de 3,50 A :
- Calcul : 4 x 3,50 A = 14 A.
- Avec une marge de sécurité de 10 % : 14 A x 1,10 = 15,4 A.
- Choisissez un coffret avec un disjoncteur de 16 A (C16).
Comment raccorder un kit solaire à son tableau électrique ?
Le raccordement d’un kit solaire nécessite un circuit électrique dédié. Voici les configurations recommandées :
- Jusqu’à 3000 W : Disjoncteur 16 A avec un câble de 2,5 mm² (3G2,5 mm²).
- Jusqu’à 6000 W : Disjoncteur 32 A avec un câble de 6 mm² (3G6 mm²).
- Installation triphasée jusqu’à 9000 W : Disjoncteur triphasé 16 A avec un câble de 2,5 mm² (5G2,5 mm²).
Vous trouverez de plus amples informations dans l’article sur le raccordement de son système solaire à son tableau électrique.
N’oubliez pas de raccorder votre installation à la terre de votre maison avec un câble de section 6 mm² Vert/Jaune.
Protéger votre installation solaire est une étape incontournable pour garantir sa performance, sa sécurité et sa conformité aux normes. En suivant ces conseils et en utilisant les équipements adaptés, vous profiterez d’une installation photovoltaïque fiable et durable. Pour toute question ou besoin d’assistance, je reste à votre disposition !
